Сопутствующие товары
Описание
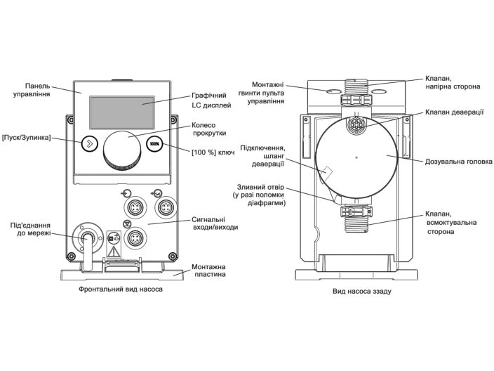
SMART Digital DDC 6-10 от Grundfos это компактный, объемный дозирующий насос с мембраной и переменной скоростью вращения (шаговый двигатель), который благодаря интеллектуальной электронной системе управления потребляет минимальное количество электроэнергии. Особенностью дозирующего насоса DDC 6-10 является полный рабочий ход диафрагмы в процессе работы, что обеспечивает полноту всасывания при работе с вязкими жидкостями способными легко выделять газ. Регулировка производительности осуществляется за счет изменения скорости движения мембраны в период нагнетания, а не за счет ограничения объема жидкости в дозирующей головке. Благодаря наличию быстросъемной монтажной плиты с соединением насос может быть смонтирован в трех различных положениях без использования дополнительных принадлежностей. Блок управления может быть легко установлен в одно из трех положений: фронтальное, слева или справа. Колесо управления и разноцветная подсветка ЖК-дисплея делают ввод в эксплуатацию интуитивно понятным. Элементы управления защищены прозрачной крышкой.
Насос-дозатор Grundfos DDC 6-10 может работать в таких режимах:
- Дозирование в мл/ч, л/ч или гал.
- Импульсное управление в мл/импульс (с функцией памяти).
- Аналоговое управление 0/4-20 мА
Кроме этого, дозирующий насос DDC 6-10 обладает следующими функциями и особенностями:
- Авто-деаэрация во время работы насоса в режиме ожидания позволяет избежать аварии из-за воздушных пробок.
- SlowMode (анти-кавитация), для уменьшения частоты вращения двигателя на 50% и 25%, при работе с жидкостями с высокой вязкостью или дегазации жидкостей.
- Дисплей “Сервис” показывает, когда необходимо выполнить техобслуживание изнашиваемых деталей.
- Два варианта блокировки клавиш для защиты насоса от несанкционированного доступа настраиваются в соответствии с необходимым уровнем защиты.
- Функция отображения дополнительной информации, например, фактический ввод мА.
- Счетчик общего дозированного объема (сброс), часы работы и т.д.
- Возможность сохранять и загружать пользовательские настройки, а также изменять заводские настройки.
Гидравлические характеристики Grundfos DDC 6-10
- Максимальный поток 6 л/ч
- Максимальный расход в медленном режиме 50% 3 л/ч.
- Максимальный расход в медленном режиме 25% 1,5 л/ч
- Минимальный расход 6,0 мл/час
Монтаж
| Диапазон температуры окружающей среды | 0 .. 45 °C |
| Макс. рабочее давление | 10 бар |
| Тип установки | 4/6 мм до 7,5 л/ч, 16 бар |
| Вход насоса | Hose 4/6 mm 3 |
| Выход насоса | Hose 4/6 mm 3 |
| Макс. высота всасывания во время работы | 6 м |
| Макс. высота всасывания при заливке | 2 м |

Материалы
| Дозирующая головка | PVDF (поливинилиденфторид) |
| Шарик клапана | Керамика |
| Прокладка | EPDM |
Монтажный набор дозировочного насоса Grundfos DDC 6-10 включает:
- 2 подсоединения к насосу (Hose 4/6 mm 3)
- приемный клапан (без датчика уровня)
- инжекционный клапан
- 6 м напорный шланг из полиэтилена
- 2 м всасывающий шланг из ПВХ
- 2 м деаэроционный шланг из ПВХ (4/6 мм)
Самовсасывающий мембранный дозировочный насос Grundfos DDC 6-10 для универсального применения вы можете приобрести по оптимальной цене в нашем интернет-магазине nasosvdom.com.ua.
Подробнее о товаре
- Производитель
- GRUNDFOS
- Мощность, Вт
- 22
- Напряжение питания, В
- 230
- Давление
- до 10 бар
- Расход, л/ч
- 6







