Насосы циркуляционные для отопления
Сопутствующие товары
Описание
Насос для циркуляции Wilo Star-Z 20/1 предназначается для установки в трубах горячего водоснабжения и обычно используется в системах отопления, промышленных циркуляционных системах, системах кондиционирования и подачи холодной воды
Циркуляционный насос Star-Z 20/1 немецкого производителя Wilo с бронзовой насосной частью и мокрым ротором рассчитан на работу с питьевой водой. Насос состоит из гидравлической части, электродвигателя с мокрым ротором и клеммной коробкой. Выбор частоты вращения для регулировки мощности осуществляется через кнопку на клеммной коробке (три скорости). Двигатель насоса устойчив к токам блокировки. Реле защиты электродвигателя не требуется. Даже максимальный ток перегрузки не может повредить электродвигатель. Корпус выполнен из бронзы, рабочее колесо из технополимера со стекловолокном, вал из керамики. Все материалы устойчивы к коррозии
Насос для горячей воды Star-Z 20/1 EM Wilo работает с водой температурой до +65°C при максимальной температуре окружающей среды до 40°C. Присоединяется насос к трубопроводу резьбовым соединением. Комплект монтажных гаек и теплоизоляционный кожух нужно приобретать отдельно
Напорные характеристики насоса Wilo Star-Z 20/1

Технические характеристики насоса для циркуляции Star-Z 20/1 EM Wilo
| Модель | Star-Z 20/1 EM |
| Производитель | Wilo |
| Артикул | 4028111 |
| Потребляемая мощность | 30 Вт |
| Номинальный ток | 0,14 А |
| Напряжение питания | 1~230 В±10%, 50 Гц |
| Максимальная производительность | 1,7 м³/ч |
| Максимальный напор | 1,0 м |
| Максимальное рабочее давление | 10 бар |
| Температура воды | +2 ... +65°C |
| Температура окружающей среды | 0 ... +40°C |
| Класс защиты электродвигателя | IP44 |
| Материал корпуса | бронза |
| Рабочее колесо | PPE-GF30 технополимер |
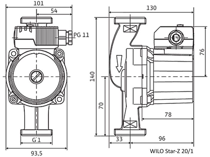
| Резьбовое соединение | Rp ¾" |
| Монтажная длина | 140 мм |
| Размеры | 140х101х130 мм |
| Вес | 2,2 кг |
| Гарантия | 24 месяца |
Комплект поставки
- Циркуляционный насос Star-Z 20/1 в сборе
- 2 плоских уплотнения
- Инструкция по монтажу и эксплуатации
Габаритные размеры Wilo Star-Z 20/1

Подробнее о товаре
- Производитель
- Wilo
- Мощность, Вт
- 30
- Производительность, max м3/ч
- 1.7
- Напор, мах м
- 1
- Диаметр
- DN 20 (3/4")
- Материал корпуса
- бронза
- Монтажное исполнение
- 140 мм
- Управление
- 3 частоты вращения
5562
4028111
8523





