Описание
Поплавковый выключатель Pedrollo MAC 5 PVC (Педролло) предназначен для контроля уровня жидкости (в резервуаре, канализационной яме и т.д).
Применение поплавка Pedrollo MAC5 PVC
- канализационные насосы и установки для отвода дождевых стоков
- насосы и насосные установки для дренажа жидкостей
- насосы для откачки жидкостей, химически неагрессивных к поплавковому материалу
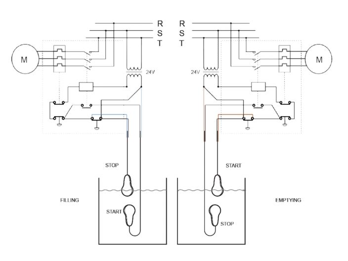
Принцип работы поплавкового выключателя Pedrollo MAC5 PVC
При повышении уровня жидкости в резервуаре, поплавок всплывает и подает сигнал на управление насоса для его выключения.
Поплавок универсальный и может работать в двух режимах: откачивание и заполнение.
Поплавок MAC 5 рекомендовано использовать в канализационных насосных станциях (SAR)
Купить поплавковый дренажный выключатель MAC5 PVC от Pedrollo в Киеве по доступной цене, вы можете в магазине "Насос в Дом"! Для этого позвоните по номерам, указанным в контактах или оформите онлайн-заказ!
Мы работаем только с лучшим качеством и проверенными производителями!
Технические характеристики поплавкового выключателя Педролло MAC 5 PVC:
- Максимальный ток: 10 А
- Номинальный ток 3А
- Температура жидкости: 0...50 °С
- Класс защиты IP 68
- Рабочее давление 2 бара
- Кабель: 3х1 мм ПВХ, 10 м
- Вес 1,1 кг
- Производитель: Pedrollo (Италия)
Подробнее о товаре
- Производитель
- PEDROLLO (Педролло)
- Вид
- поплавковый выключатель
- Ток max, А
- 10





